Сообщаем, что из-за повышения стоимости сырья, комплектующих и транспортировки мы вынуждены, одними из последних...
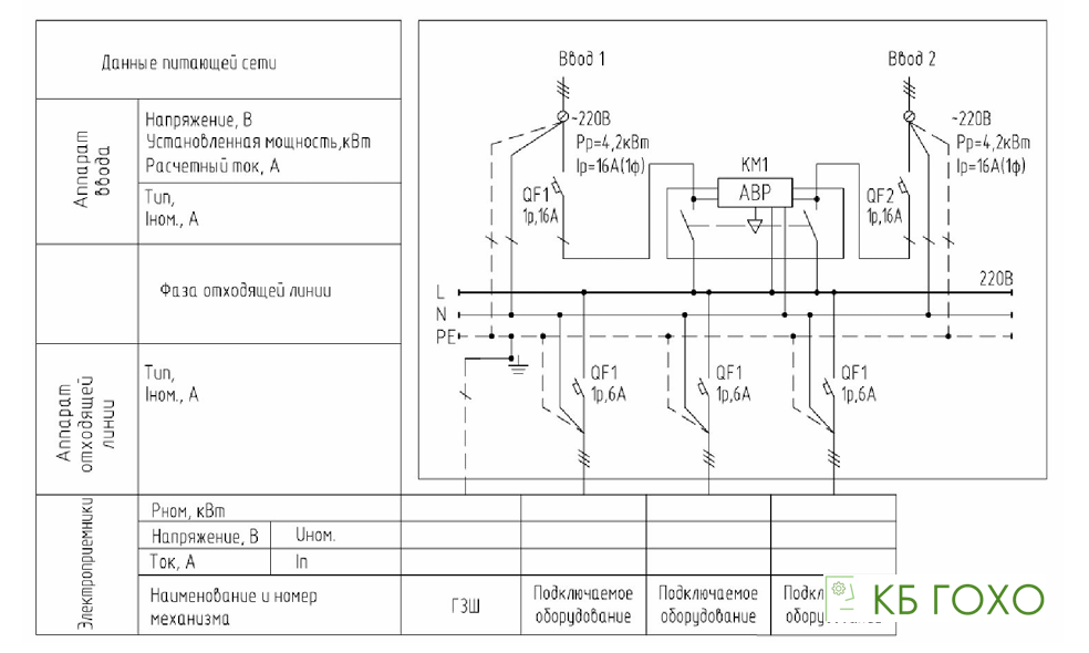
ГОХО ПЭСПЗ с АВР А.Г.32 (ГОХО НКУ ПЭСПЗ с АВР 220/16-2/3*6А1р-31-УХЛ4) является НКУ для питания электроприемников СПЗ на объектах, которые отнесены к первой или второй категории по надежности электроснабжения, что соответствует требованиям пункта 5.2 или 5.3 свода правил СП 6.13130.2021.
НКУ предназначено для питания однофазных приемников. Снабжено устройством автоматического ввода резерва.
Вводные АВ номиналом 16 А, отходящие три линии по 6А.










