Сообщаем, что из-за повышения стоимости сырья, комплектующих и транспортировки мы вынуждены, одними из последних...
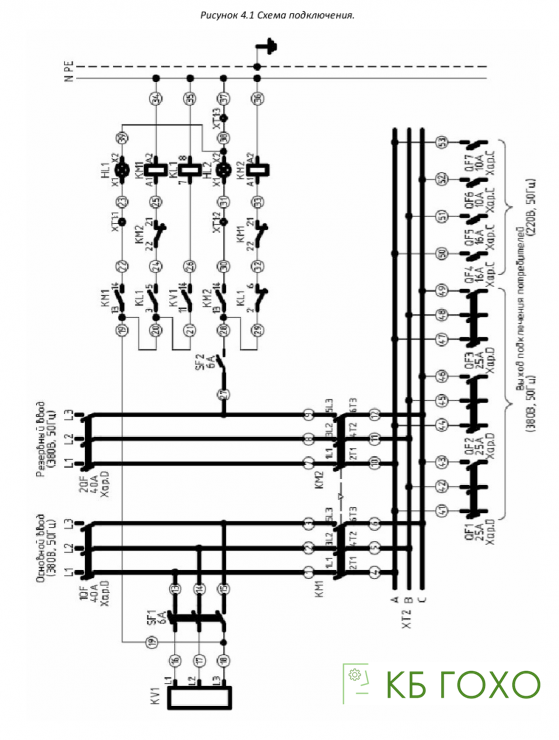
ГОХО ПЭСПЗ с АВР С.Г.66(ГОХО НКУ ПЭСПЗ с АВР 380/40-2/ 3*25А3р(D);2*16А1р;2*10А1р-54-УХЛ4)) является НКУ для питания электроприемников СПЗ на объектах, которые отнесены к первой категории по надежности электроснабжения, Это оборудование применяется в соответствии с требованиями нормативных документов, в частности, СП 6.13130.
НКУ предназначено для питания Трехфазных приемников. Снабжено устройством автоматического ввода резерва.
Вводные АВ номиналом 40А три фазы, характеристика "C". Отходящие три линии380В 25A(хар.D, без тепл. расцеп) ; две линии 220В 16A; две линии 220В 10А.








