Сообщаем, что из-за повышения стоимости сырья, комплектующих и транспортировки мы вынуждены, одними из последних...
Термошкаф ГОХО ШР СТШМ-0863 (ГОХО НКУ ШР 220/6-1/6А1р-66-УХЛ1_исп.спец.0863) используется для установки в нем телевизионного, охранно-противопожарного и иного электротехнического оборудования, и защиты от неблагоприятных условий окружающей среды (класс защиты IP66) и поддержания заданного температурного режима при эксплуатации этого оборудования в неотапливаемых помещениях и на открытом воздухе.
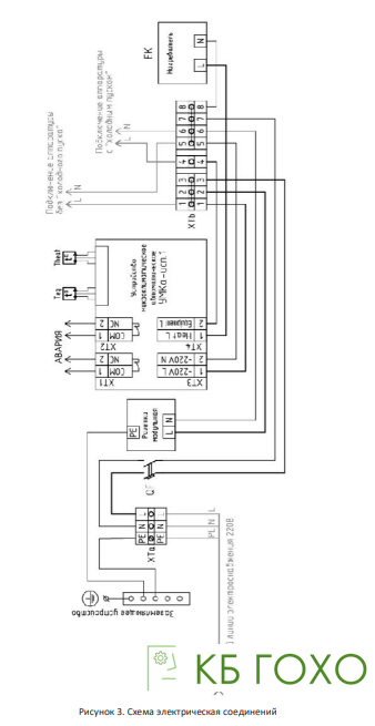
Шкаф представляет собой цельнометаллическую сварную конструкцию, состоящую из корпуса и двери. Внутри корпуса установлена монтажная панель со смонтированными компонентами системы поддержания температуры, обеспечивающей безопасную работу размещенного в нём оборудования при температуре окружающего воздуха от - 60 до +50°С Шкаф выпускается по техническим условиям РЕСД27.12.31-006-06911926-2025 ТУ.








