Сообщаем, что из-за повышения стоимости сырья, комплектующих и транспортировки мы вынуждены, одними из последних...
ГОХО ШР СТШМ-0863Д (ГОХО НКУ ШР 220/6-1/6А1р-66-УХЛ1_исп.спец.0863Д)
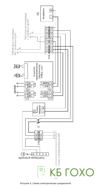
Описание товара "ГОХО ШР СТШМ-0863Д (ГОХО НКУ ШР 220/6-1/6А1р-66-УХЛ1_исп.спец.0863Д)" в настоящее время отсутствует на сайте. Всю интересующую Вас информацию, Вы можете получить по телефону у наших специалистов.
- 250
- 800*600*300
- Сталь с порошковой окраской
- Позистор с вентилятором
- 66
- от -60 до +50°С
- 6
- 50±1
- TN-S
- 80% при t 25°С
- УХЛ-1
- от -70 до +60°С
- 220
- 2000 м
- Навесное
- от -20 до +20 (погрешность +/-1 гр С)
- от -25 до +15 (погрешность +/-1 гр С)
- при достижении температуры в пространстве термошкафа 75 гр.С и более или при достижении температуры на поверхности нагревателя 125 гр.С и более







